Công tắc hành trình Omron D4N-4125
Dòng công tắc hành trình D4N vỏ nhựa lý tưởng cho tất cả các ứng dụng phát hiện vị trí cơ khí tiêu chuẩn cho cả các ứng dụng an toàn và không an toàn.
- Cơ chế mở trực tiếp và sự chấp thuận của cơ quan được thông báo
- Vỏ nhựa chắc chắn với lớp cách nhiệt kép
- Nhiều loại thiết bị truyền động
- Đầu nối M12 hoặc khối thiết bị đầu cuối với ống dẫn M20
Thông số kĩ thuật D4N-4125
- Thiết bị truyền động: Cần lăn
- Vật liệu: Cần trục 17,5 dia. x 7; Đòn bẩy kim loại, con lăn hợp kim không gỉ R26.
- Tiếp điểm: 1NC / 1NO
- Kích thước ống dẫn: M20
- Tần số: 50/60 Hz
- Độ bền: Điện: 300.000 hoạt động tối thiểu. (10 A ở 250 VAC), 500.000 hoạt động tối thiểu. (3 A ở 250 VAC); Cơ khí: 15.000.000 hoạt động tối thiểu.
- Tần suất hoạt động cho phép: 30 thao tác / tối đa 1 phút.
- Điện trở tiếp xúc: Tối đa 25 mΩ
- Vật liệu chống điện: 100 phút
- Nhiệt độ hoạt động: -30 đến 70 ℃
- Độ ẩm hoạt động: Tối đa 95% rh.
- Mức độ bảo vệ: IP67
- Trọng lượng: khoảng 90 g
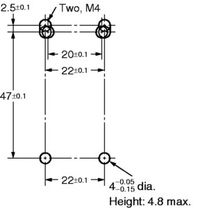
Kích thước D4N-4125
Catalog D4N
Tham khảo thêm cảm biến quang loại khác TẠI ĐÂY
CÔNG TY TNHH KỸ THUẬT ETECH VIỆT NAM
171/42 Thịnh Liệt, Hoàng Mai, Hà Nội
SĐT: 0989.410.961 – 094.616.3689




Đánh giá
Chưa có đánh giá nào.