Cảm biến quang loại siêu nhỏ EE-SX670B Omron
- Loại cảm biến: Thu – phát
- Nguồn cấp: 5 – 24 VDC ±10%, ripple (p-p): 10% max.
- Dòng tiêu thụ: Max. 12 mA
- Khoảng cách phát hiện: 5mm
- Vật phát hiện chuẩn: Vật mờ đục: 2 × 0.8 mm min.
- Nguồn sáng: LED hồng ngoại (940 nm)
- Chế độ hoạt động: Light-ON/Dark-ON
- Chỉ thị hoạt động: Led đỏ (ON khi ánh sáng bị gián đoạn với các model A,R)
- Tần số đáp ứng: 1 kHz min.
- Chức năng bảo vệ: Ngắn mạch ngõ ra
- Trọng lượng: Khoảng 3.1g
- Xuất xứ: Japan
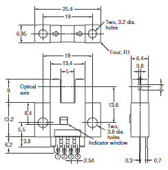
Kích thước EE-SX670B

Catalog EE-SX SERIES
Tham khảo thêm cảm biến quang loại khác TẠI ĐÂY
CÔNG TY TNHH KỸ THUẬT ETECH VIỆT NAM
171/42 Thịnh Liệt, Hoàng Mai, Hà Nội
SĐT: 0989.410.961 – 094.616.3689


