Động cơ Servo Mitsubishi HC-MFS23B
- Loại; Servopack, loại có phanh, quán tính cực thấp.
- Nguồn cấp: 200V
- Ngõ ra định mức: 200W
- Tốc độ: 3000rpm
- Tốc độ lớn nhất: 4500rpm
- Phương pháp điều khiển: Điều khiển 3 pha/IGBT/PWM
- Econder: 17 bit; độ phân giải 131.072 xung/vòng
- Mô men xoắn: 0.64 N/n, Max 1.9 N/n
- Servo amplifier: MR-J2S-20A (1)/B (1)/CP (1)/CL (1), MR-J2S-20A, MR-J2S-20A1, MR-J2S-20B, MR-J2S-20B1, MR-J2S-20CP, MR-J2S-20CP1, MR-J2S-20CL, MR-J2S-20CL1
- Ứng dụng: Điều khiển tốc độ, vị trí, momen
- Đầu trục: Tiêu chuẩn( Trục thẳng)
- Cấp độ bảo vệ: IP55
- Trọng lượng: 1,6Kg
- Hãng sản xuất: Mitsubishi
- Xuất xứ: Nhật Bản
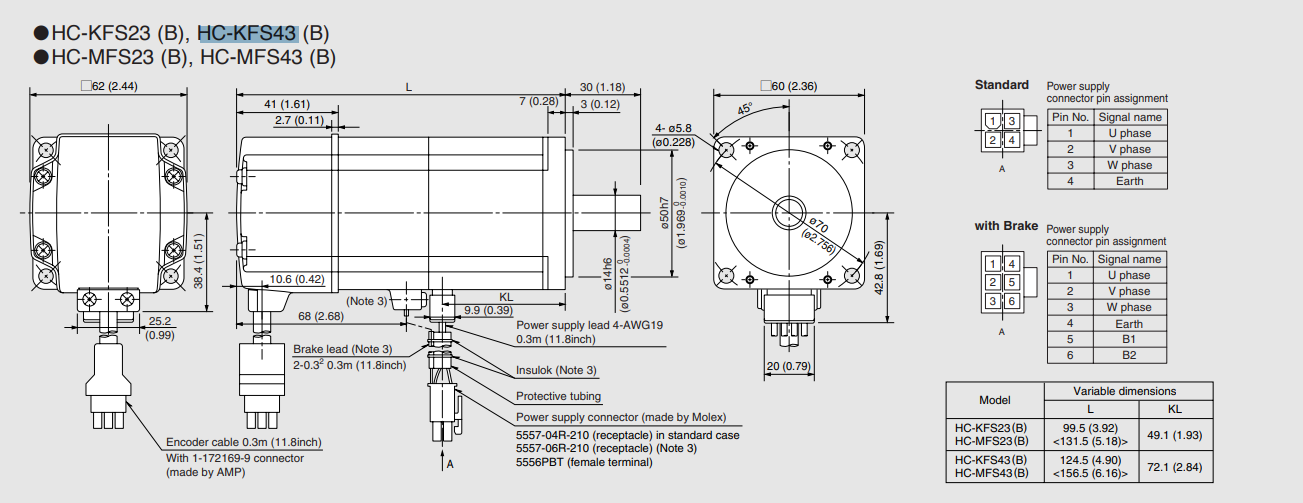
Kích thước HC-MFS23B

Servo HC Catalog
Tham khảo thêm các loại động cơ servo mitsubishi TẠI ĐÂY
CÔNG TY TNHH KỸ THUẬT ETECH VIỆT NAM
171/42 Thịnh Liệt, Hoàng Mai, Hà Nội
SĐT: 0989.410.961 – 094.616.3689



Đánh giá
Chưa có đánh giá nào.